Produktinformationen "DNK 3684 Ersatzteil für CDJ 100"
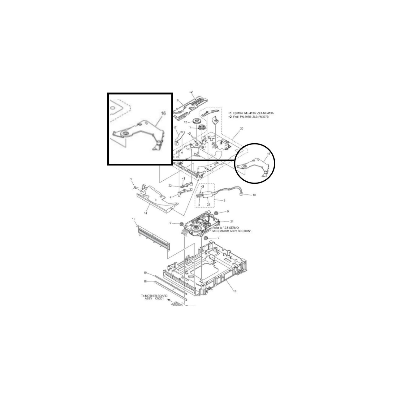
Ersatzteil für die Schubladeneinheit Nr. 16 auf der Abbildung
( Verschleisteil - meist in Verbindung mit Nr. 17 Verschlissen )
Anmelden
Zur Zeit kein Video vorhanden
Spezifische Sicherheitshinweise, die für dieses Produkt gelten finden Sie in der Bedienungsanleitung und/oder auf der Verpackung
Dieser Artikel befindet sich
leider nicht mehr in unserem Sortiment.
Artikel-Nr:
0085822
Herstellernummer:
DNK3684 / 03063